Завод СИП-домов:
СИП-панели и комплектующие

Готовые проекты домовПроектированиеСИП-панелиПиломатериалыСтроительствоДомокомплектыАкцииКредитСертификатыПортфолиоВопрос / ОтветБлогO насОплата и доставкаВопрос-ответМатеринский капиталВидеоПолитика конфиденциальностиКонтактыКарта сайта

Проект РП-5 (10х8 м)

Котельная
Терраса

Стоимость проекта: от 4 474 080 руб.

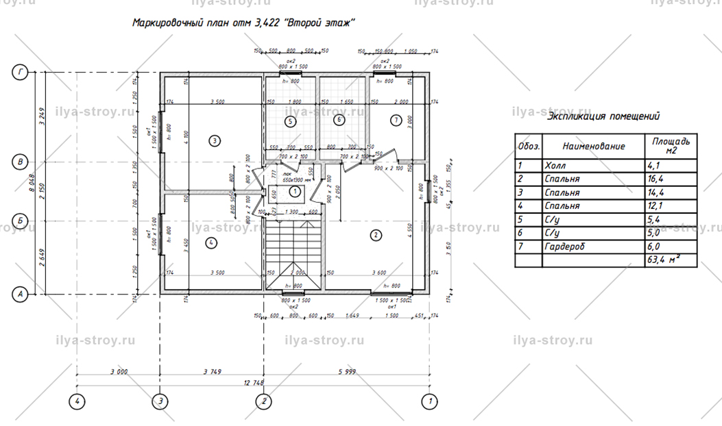
Общая площадь:160
Жилая площадь:140
Количество cан. узлов:2
Высота потолков:2,8
Этажность:2
Количество комнат:5

Планировки

Варианты комплектаций

Параметры комплектаций Дом из СИП-панелей ОСП-3 Дом из СИП-панелей Гринборд или Комбо (ЦСП/ОСП)
Проектирование и доработки проекта
СтоимостьБесплатно в данной комплектации. Бесплатно в данной комплектации.
СИП-панели
Материал СИП-панелейСИП-панели из влагостойких листов ОСП-3 Калевала. Повышенный класс экологичности - Е0,5: минимальное содержание формальдегида за счет склейки древесной стружки в плите синтетическими смолами. Утеплитель - фасадный пенополистирол ППС14/ППС16, самозатухающий за счет содержания антипиренов, блокирующих самостоятельное горение материала. СИП-панели ГринБорд или комбинированные СИП-панели с облицовкой цементно-стружечной плитой с одной и ОСП-3 с другой стороны.
Характеристики СИП-панелей + Спокойствие о ЗДОРОВЬЕ: ОСП-3 максимальной экологичности.
+ ЭКОНОМИЯ на строительстве: Оптимальное соотношение цены и качества сип-панелей.
+Спокойствие о ЗДОРОВЬЕ: древесная стружка склеена портландцементом БЕЗ ФОРМАЛЬДЕГИДНЫХ смол.
+ПОЖАРОБЕЗОПАСНОСТЬ: класс горючести ЦСП плит - Г-1 (слабогорючие).
+ВЛАГОСТОЙКОСТЬ: Плиты не разбухают от влаги.
ПиломатериалыСеверная ель и сосна из Вологодской области камерной сушки влажностью до 14-16%. Сечение по ГОСТ 8486-86, 1й сорт. Приемка с влагомером. Северная ель и сосна из Вологодской области камерной сушки влажностью до 14-16%. Сечение по ГОСТ 8486-86, 1й сорт. Приемка с влагомером.
Фундамент
Выезд на геологические изыскания грунта с пробным монтажомБесплатно. Бесплатно.
Тип фундаментаВинтовые сваи 108x300x2500 мм, обработанные антикоррозийным составом HEMPEL. Толщина стенки 4 мм. Оголовок 250х250 мм. Заливка пескобетоном М300. Монтаж спецтехникой. Железобетонные забивные сваи 150х150х3000 мм. Монтаж спецтехникой. Преимущество: Высокая прочность готового фундамента, отсутствие рисков коррозии металла.
Обвязка фундаментаПовышенная прочность обвязки фундамента на прогиб, отсутствие трещин и исключение развития "изгиба" ростверка за счет использования деревянных прогонов составного сечения 200х200 мм из пакета строганных досок 50х200 (4 шт. в прогоне) камерной сушки до 14%. (Возможна замена на обрезной брус 200х200 мм). Повышенная прочность обвязки фундамента на прогиб, отсутствие трещин и исключение развития "изгиба" ростверка за счет использования деревянных прогонов составного сечения 200х200 мм из пакета строганных досок 50х200 (4 шт. в прогоне) камерной сушки до 14%. (Возможна замена на обрезной брус 200х200 мм).
Нулевое перекрытие
Толщина и материалСип-панель ОСП-3 толщиной 224 мм. Утеплитель - 200 мм.
Исключен эффект "батута" перекрытий за счет укладки деталей в шахматном порядке, а также монтажа лаг перекрытий с шагом 625 мм из антисептированного бруса шириной 200 мм камерной сушки влажностью до 14%.
Сип-панель ЦСП или Гринборд толщиной 224 мм. Утеплитель - 200 мм.
Исключен эффект "батута" перекрытий за счет укладки деталей в шахматном порядке, а также монтажа лаг перекрытий с шагом 625 мм из антисептированного бруса шириной 200 мм камерной сушки влажностью до 14%.
Стены и перегородки
Наружные стеныСип-панель ОСП-3 толщиной 174 мм. Толщина утеплителя 150 мм. Усиленный несущий каркас: несущие стойки из антисептированного бруса шириной 150 мм камерной сушки влажностью до 14%. Сип-панель ЦСП или Гринборд толщиной 174 мм. Толщина утеплителя 150 мм. Усиленный несущий каркас: несущие толщиной стойки из антисептированного бруса шириной 150 мм камерной сушки влажностью до 14%.
Внутренние перегородкиКаркас из антисептированной доски 50х150 мм строганной камерной сушки влажностью до 14%.
(Возможна замена на СИП-панели).
Каркас из антисептированной доски 50х150 мм строганной камерной сушки влажностью до 14%.
(Возможна замена на СИП-панели).
Межэтажное перекрытие
Вид исполненияКаркасное: по деревянным балкам из сухого антисептированного бруса шириной 200 мм с шагом 600 мм с настилом ОСП-3 толщиной 22 мм . Утепление контура блоками фасадного пенополистирола.
(Возможна замена на СИП-панели).
Каркасное: по деревянным балкам из сухого антисептированного бруса шириной 200 мм с шагом 600 мм с настилом ЦСП или Гринборд толщиной 20 мм . Утепление контура блоками фасадного пенополистирола.
(Возможна замена на СИП-панели).
Чердачное перекрытие
Вид исполненияСип-панель ОСП-3 толщиной 224 мм. Утеплитель - 200 мм. Лаги перекрытия с шагом 625 мм из антисептированного бруса толщиной 200 мм камерной сушки влажностью до 14%. Сип-панель ЦСП или Гринборд толщиной 224 мм. Утеплитель - 200 мм. Лаги перекрытия с шагом 625 мм из антисептированного бруса толщиной 200 мм камерной сушки влажностью до 14%.
Крыша
Вид исполненияСтропильная система из доски 50х200 мм с контробрешеткой 50х50 мм и обрешеткой 25х100 мм.
(Возможна замена на СИП-панели).
Стропильная система из доски 50х200 мм с контробрешеткой 50х50 мм и обрешеткой 25х100 мм.
(Возможна замена на СИП-панели).
Утепление--
Кровельное покрытиеМеталлочерепица Уникма Т05, полиэстер.
Толщина металла 0,5 мм.
Количество цинка -140 г/м2. Цвет на выбор.
Металлочерепица Уникма Т05, полиэстер.
Толщина металла 0,5 мм.
Количество цинка -140 г/м2. Цвет на выбор.
Окна
Производитель и характеристикиОкна и двери ПВХ профиль REHAU Grazio 70 мм, с энергосберегающим двухкамерным стеклопакетом, цвет профиля - по согласованию, фурнитура ROTO NT с ступенч. микропроветриванием.
Монтаж по ГОСТу специалистами от завода-производителя.
Гарантия производителя на монтаж и изделия.
Окна и двери ПВХ профиль REHAU Grazio 70 мм, с энергосберегающим двухкамерным стеклопакетом, цвет профиля - по согласованию, фурнитура ROTO NT с ступенч. микропроветриванием.
Монтаж по ГОСТу специалистами от завода-производителя.
Гарантия производителя на монтаж и изделия.
Входная дверь
Производитель и характеристикиВходная уличная дверь с терморазрывом Термо-3, производитель Regidoors. Входная уличная дверь с терморазрывом Термо-3, производитель Regidoors.

Стоимость: от 3 580 000 руб.

Выбрать эту комплектацию

Стоимость: от 3 800 000 руб.

Выбрать эту комплектацию

5 лет Гарантии

Входная дверь в подарок!

При заказе строительства - проект в подарок

Технадзор

Варианты покупки
Покупка в кредит
  • ПочтаБанк
  • КредитЕвропаБанк
  • Тинькофф

* действующие ставки уточняйте у менеджера

Ипотека Дом.РФ или
ДомКлик от Сбербанка
*действующие ставки уточняйте у менеджера
Без привлечения
кредитных средств
Скидки и подарки на сумму до 50 000 руб!
Возможно использование материнского капитала
Подробнее

Похожие проекты

Этажность:
Все
Цена:
2900000
3466875
4033750
4600625
5167500
от 0 руб. до 0 руб.

Проект Р-9 (15х13,5 м)

Площадь дома: 200 м2

Цена дома: 4 733 100 руб.

Проект Р-8 (17,5х12 м)

Площадь дома: 170 м2

Цена дома: 4 816 800 руб.

Проект РП-7 (8,5х8 м)

Площадь дома: 136 м2

Цена дома: 3 615 000 руб.

Проект РП-4 (9х9 м)

Площадь дома: 153 м2

Цена дома: 3 828 000 руб.

Проект Р-5-Барнхаус (14х12,5 м)

Площадь дома: 175 м2

Цена дома: 5 012 000 руб.

Проект Р-2-Флэт (16х13 м)

Площадь дома: 160 м2

Цена дома: 4 955 500 руб.

Проект РМ-9 (10,5х9 м)

Площадь дома: 170 м2

Цена дома: 4 112 000 руб.

Проект Р-4-Флэт (16х13 м)

Площадь дома: 160 м2

Цена дома: 3 170 000 руб.

Проект Р-3-Флэт (14,5х12 м)

Площадь дома: 200 м2

Цена дома: 5 167 500 руб.

Проект Р-6-Барнхаус (15х9 м)

Площадь дома: 162 м2

Цена дома: 3 400 000 руб.

Проект РП-6-Флэт (10х9 м)

Площадь дома: 175 м2

Цена дома: 4 446 480 руб.

Проект Р-1 (10х15 м)

Площадь дома: 150 м2

Цена дома: 4 318 100 руб.
0 Список товаров в корзине

Ваша корзина пуста

Сумма заказа: руб.

Оформить заказ
Calculator